Zpětný ventil naklápěcího kotouče
Zpětné ventily naklápěcího kotouče NSV , protože zpětný ventil je otevřen, když tok prochází jedním směrem a uzavírá se zpětným tokem
Díky rychlému uzavření tohoto všestranného ventilu je ochrana čerpadla jednou z jeho hlavních aplikací. Používá se pro plyny a kapaliny, sběrnice se nedoporučuje, pokud jsou v suspenzi pevné látky. Kapka hlavy je relativně nízká.
Použitelná norma
Provedení podle.API594
Tváří v tvář podle API594
Rozměry koncových přírub ANSI B 16,5 / ANSI B 16.47
Závěrečné inspekční testy podle API598.
Nabídka produktů
Velikost: 2 "~ 20" (DN50 ~ DN500)
Hodnocení: ANSI 150 lb-2500 lb
Materiály těla: uhlíková ocel, nerezová ocel, legovaná ocel, duplexní ocel
Trim: Per API 600
Designové vlastnosti:
Systém rychlého zavíráníStabilita při nízkém a pulzujícím toku
Mírný pokles tlakuPevně těsní kovové sedadlo
K kontaktům sedadla nedojde, dokud není disk usazen a uzavřen


Výkon struktury: 
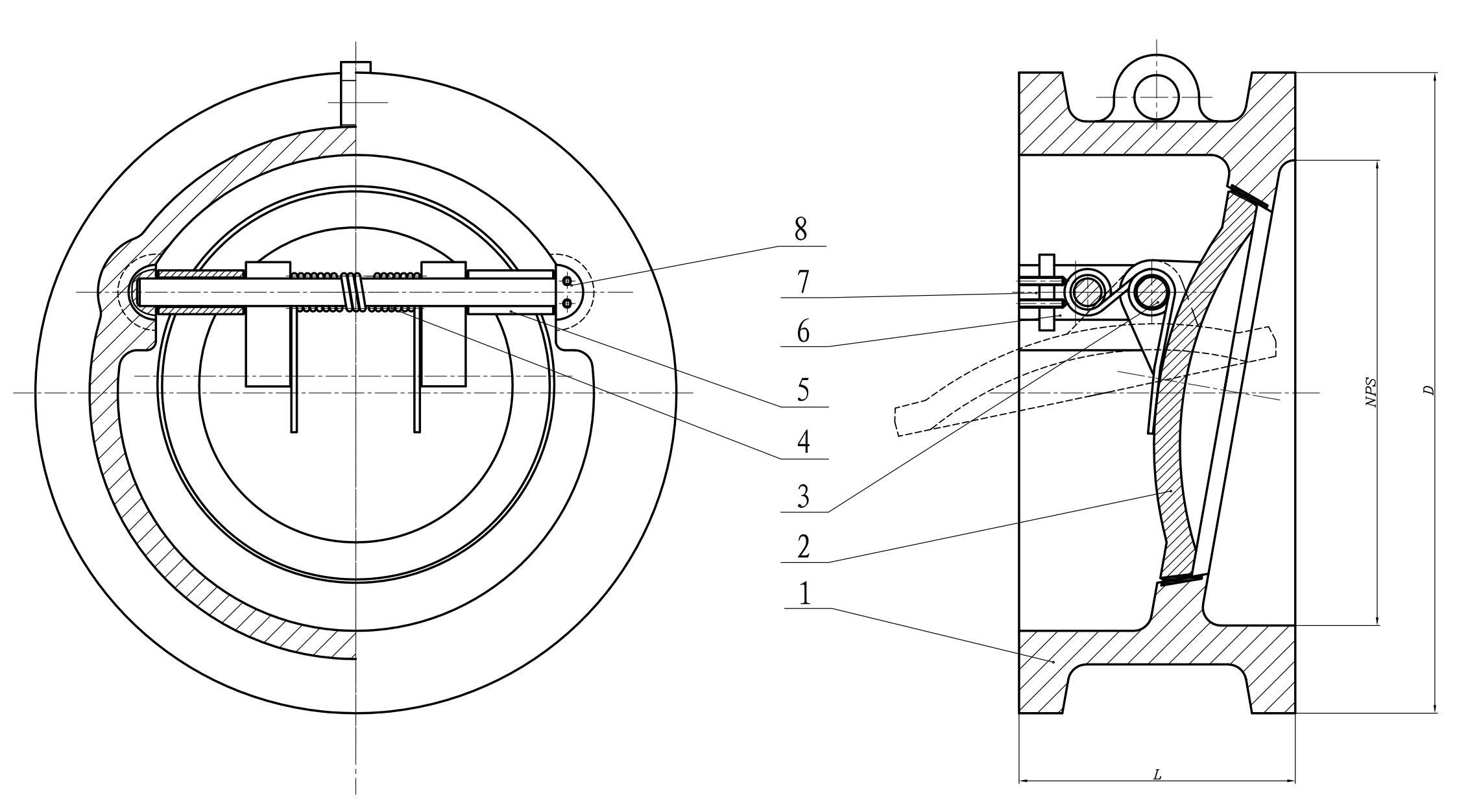
Naklápěcí talířové ventily jsou navrženy se třemi excentricitami:
• První excentricita: je to posun mezi hřídelí a rovinou sedadla. Tato excentricita odstraňuje jakékoli rušení sedadla s hřídelí, a proto má sedadlo integrální a spojitou konstrukci jak v těle, tak v kotouči, a lze zabránit potenciálnímu úniku.
• Druhá excentricita: je to posun mezi hřídelí a průměrem kotouče. Tato excentricita funguje, když dojde ke zpětnému toku nebo když je normální průtokový tlak tak nízký, že nemůže vyvinout dostatečnou sílu, aby udržel uzavírací moment způsobený hmotností kotouče.
• Třetí excentricita: je to úhel náklonu roviny sedadla s normální rovinou potrubí. Toto naklopení snižuje zdvih disku, a proto se může při zpětném toku rychleji uzavřít.
Kromě geometrie a hmotnosti disku mohou ve stejných případech optimalizovat posloupnost uzavírání i jiné prvky. Pružiny lze použít ke zvýšení rychlosti uzavírání disku před zahájením zpětného toku. Na druhé straně, když je zpětný tok skutečností, ale ventil stále ještě není uzavřen, pomalé uzavření může zabránit tomu, aby se přes ventil zabouchlo. Existuje několik oleohydraulických tlumicích systémů.
K utažení ventilu lze použít pružiny a také protizávaží na konci hřídele.
Při volbě ventilů pro nízkotlaké aplikace by se měl brát v úvahu minimální pracovní tlak poskytovaný výrobci, pokud není možné disk utěsnit a za stálého pohybu mezi sedadlem a částečně otevřít. To vede k poškození sedadla a opotřebení hřídele. Tento účinek je důležitější u zpětných ventilů.
FAQ
1. Otázka: Jak mohu získat váš firemní katalog?
Odpověď: Pro vaši informaci je základní katalog stejný jako „Stahování> E-katalog“ domovské stránky. Pokud potřebujete tištěné materiály nebo požadujete konkrétnější údaje, jako je materiál PQ, obraťte se na prodejní tým.
2. Otázka: Má vaše společnost nějakého agenta / distributora s výjimkou Číny?
A: V současné době máme agenta v Indonésii, Singapuru, Kanadě, Mexiku, Iráku a vítáme nás, pokud se k nám chcete přidat.
3. Otázka: Jsou ventily „NSV“ zásobovány koncovým uživatelem s jakoukoli hodnotou?
A: Ano ,, je to jako PETROKIMIA GRESIK v Indonésii, BP Irák, ESFAHAN MOBARAKEH STEEL v Íránu atd.
4. Otázka: Chci být zaregistrován jako vaše agentura?
Odpověď: Pro registraci jako agentura společnosti je nutná definovaná inspekce a souhlas vedoucího. Konkrétní způsob aplikace konzultujte s prodejním týmem. Pokud jste registrováni jako agentura společnosti, bude vydán „Certifikát agentury“.
5. Otázka: Jste výrobce nebo obchodní společnost?
A: Jsme výrobce, ale název naší továrny není pojmenován NSV, protože jsme profesionálové v propagaci značky NSV s nejlepšími službami a také jsme prodali mnoho úspěchů koncových uživatelů.
Populární Tagy: zpětný ventil naklápěcího kotouče, Čína, výrobci, dodavatelé, továrny, vyrobené v Číně
Mohlo by se Vám také líbit
Odeslat dotaz















